Контакты офиса в Гродно

+375 (29) 719-95-00

пн-пт 8.00-18.00, суб 9.00-15.00

+375 (29) 719-95-00

+375 (29) 311-57-75

+375 (15) 267-07-09

dovatrade@mail.ru

г. Гродно, ул. Индустриальная 2а/1

Контакты офиса в Лиде

+375 (29) 522-55-88

пн-пт 8.00-17.00, суб 8.00-14.00

+375 (29) 522-55-88

+375 (44) 522-55-88

dovatradelida@mail.ru

г. Лида, ул. Машерова, 10

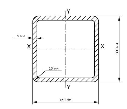
Труба профильная 160х160х5
Консультация и заказ:
тел/факс +375 (152) 67-07-09, +375 (152) 67-07-06
МТС +375 (29) 719-95-00
A1 +375 (29) 311-57-75
  • Продажа металлопроката за наличный и безналичный расчет, оптом и в розницу
  • Резка металлопроката в размер
  • Доставка по Гродно и Гродненской области
  • Постоянно в наличии на складе
Тип: квадратная
Материал: сталь черная
Сечение, мм: 160x160
Толщина металла, мм: 5,0
Длина, м: 12
*Цена, руб. (от и до) за 1 метр погонный 61,81
80,35

*Цены ориентировочные, не являются публичной офертой, актуальные цены уточняйте по телефонам.

Металлическая квадратная профильная труба размером 160х160х5 мм является востребованным материалом в различных отраслях, таких как машиностроение, производство мебели и строительство. Ее многообразные применения включают изготовление компонентов для машин, прочных каркасов мебели, несущих конструкций, перекрытий, заборов и опор. Благодаря своей прочности и надежности, она успешно применяется в этих сферах, обеспечивая долговечность и устойчивость конструкций.

Площадь поперечного сечения 30.36 см2
Масса 1 м 23.83 кг
Ix, момент инерции 1202 см4
Iy, момент инерции 1202 см4
Wx, момент сопротивления 150.3 см3
Wy, момент сопротивления 150.3 см3
ix, радиус инерции 6.29 см
iy, радиус инерции 6.29 см